KAN DISSE VÆRE AV INTERESSE?



1/3
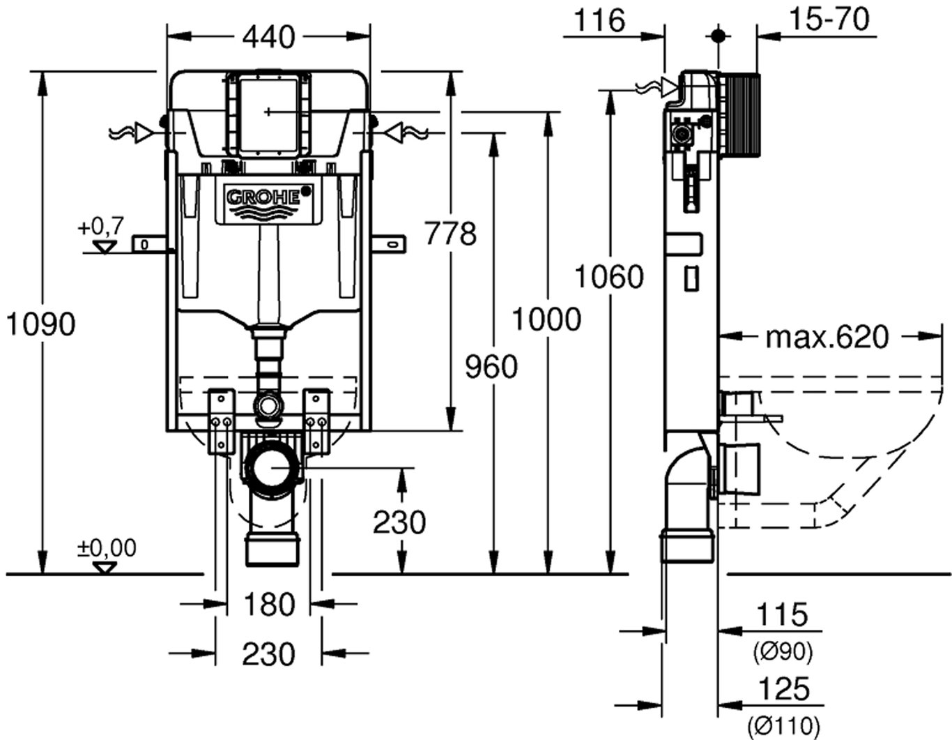
Grohe uniset ramme til wc m/sisterne
EAN4005176323423Varekode038304
2 049
Klikk & Hent
Kun tilgjengelig på nett.
GROHE UNISET RAMME TIL WC M/SISTERNE
p038304
v038304
Detaljer
Tekniske spesifikasjoner
med sisterne GD 2, 6 - 9 l778 x 440 x 116 mmtil enkelmontasje2 WC-bolterboltavstand 180/230 mmkeramisk festeavløpsbend DN 90 mmredusering Ø 90/110 mmtil- og avløpsgarnityrspylecisterne GD 2, 6 - 9 l, som inneholder følgende funksjoner:justerbar ex fabrikk 6 l og 3 lpneumatisk avløpsventil med 3 funksjoner:hel- og halv spyling, start & stopp ellerhel spylingvanntilslutning fra venstre, høyre eller oppearmaturgruppe l, under 20 dBsisterne kondensvannisolert½ "vinkelventil med trykkpass fleksibel slangeforeningbruk av verktøy er ikke nødvendig ved montering av inspeksjonslukenfor vertikal eller horisonal montasjeforberedelse til dusjtoalett med tilleggsutstyr 40 899 000 (selges separat)for montering av små betjeningsplater må det bestillesrevisjon aksel 40 911 000 (selges separat)Leverandørens varenummer39165000
Nobb No0
Vekt pr. stk / m2 (i kg)6.8
Volum82.541 (dm3 per salgsforpakning)
Ingen spørsmål enda. Bli den første til å stille et spørsmål til dette produktet.